Цилиндрические соосные мотор-редукторы VARVEL (Варвел) серии MRD 02, MRD 12, MRD 22, MRD 32, MRD 42, MRD 52, MRD 62, MRD 03, MRD 13, MRD 23, MRD 33, MRD 43, MRD 53, MRD 63: характеристики, устройство, принцип работы, цена

Цилиндрические соосные мотор-редукторы VARVEL (Варвел) серии MRD 02, MRD 12, MRD 22, MRD 32, MRD 42, MRD 52, MRD 62, MRD 03, MRD 13, MRD 23, MRD 33, MRD 43, MRD 53, MRD 63

Цилиндрические мотор-редукторы Varvel MRD предназначены для понижения скорости и увеличения крутящего момента. Серия состоит из семи типоразмеров, каждая из которых имеет широкий ряд передаточных отношений. Мотор-редукторы комплектуются электродвигателями от 0,06 до 7,5 кВт. Для удобства монтажа используются лапы на основании корпуса или съемный опорный фланец. Корпус редуктора литой, изготовлен из сплава алюминия. Конструкция зубчатых пар имеет одну две или три ступени. Высокое качество обработки зубчатых пар исключает посторонние шумы во время работы, а надежные материалы гарантируют работоспособность редуктора на долгие годы.

На мотор-редукторы MRD могут устанавливаться электродвигатели с тормозом и двигатели во взрывозащищенном исполнении.

Передаточные отношения 2,5 - 630

Обороты тихоходного вала 2 - 1100 об/мин

Крутящий момент 10 - 2300 Нм

Мощность электродвигателя 0,06 - 7,5 кВт

Серия имеет следующие типоразмеры:
MRD 02, MRD 12, MRD 22, MRD 32, MRD 42, MRD 52, MRD 62, MRD 03, MRD 13, MRD 23, MRD 33, MRD 43, MRD 53, MRD 63

MRD 02, MRD 12, MRD 22, MRD 32, MRD 42, MRD 52, MRD 62, MRD 03, MRD 13, MRD 23, MRD 33, MRD 43, MRD 53, MRD 63

Система обозначения червячных мотор-редукторов серии MRD

MRD 43 / В5 Н 250 IEC80-B14 (П19/120) AU35 DFU300 //0,55/4-19/120/000/IM3681 -IP54/F/220/380/50/Y3/S1 -Т/10/АС/220/380-К2

MRD - Тип мотор-редуктора;
43 - Типоразмер (4 - габарит, 3 - число ступеней);
В5 - Вариант исполнения (B3 - лапный,В5 - фланцевый);
H - Монтажное положение (H - горизонтальный, V - вертикальный);
250 - Номинальное передаточное отношение;
IEC80 - Типоразмер для присоединения электродвигателя;
В14(П19/120) - Исполнение входного фланца редуктора (B5,B14). П19 - полый вал диаметром 19 мм; 120 - входной фланец диаметром 120 мм;
AU35 - Диаметр выходного вала;
DFU300 - Диаметр выходного фланца;
0,55 - мощность электродвигателя в кВт.
4 - количество полюсов.
19 - диаметр вала электродвигателя в мм.
120 - наружный диаметр фланца электродвигателя в мм.
000 - высота от лап до оси (только для лапного исполнения, для фланцевого исполнения ставится 000).
1М:3681 - конструктивное исполнение по способу монтажа (ГОСТ 2479)
IP:54 — исполнение по степени защиты.
F- класс изоляции
220/380/50 - напряжение питания электродвигателя и частота питающего тока (возможны варианты 230/400/50, 400/690/50, 380/660/50, 275/480/60, 480/830/60)
УЗ - климатическое исполнение S1 - режим работы Т-тормоз
10 - тормозной момент в Нм
АС - тип питания тормоза(переменное)
220/380 - напряжение (В) питания электротормоза К2 - положение клеммной коробки.

Типоразмер
M max, Нм

D - выходного вала,

мм

MRD 02
89
17 (20)
MRD 12
440
30 (25)
MRD 22
440
25 (30)
MRD 32
560
30 (35)
MRD 42
760
35 (40)
MRD 52
1520
40 (50)
MRD 62
2900
50 (60)
MRD 03
89
17 (20)
MRD 13
440
30 (25)
MRD 23
440
25 (30)
MRD 33
560
30 (35)
MRD 43
760
35 (40)
MRD 53
1520
40 (50)
MRD 63
2900
50 (60)

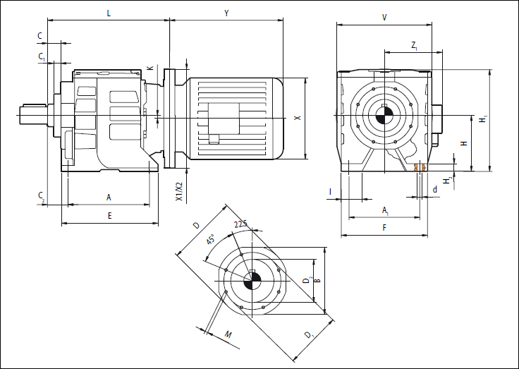
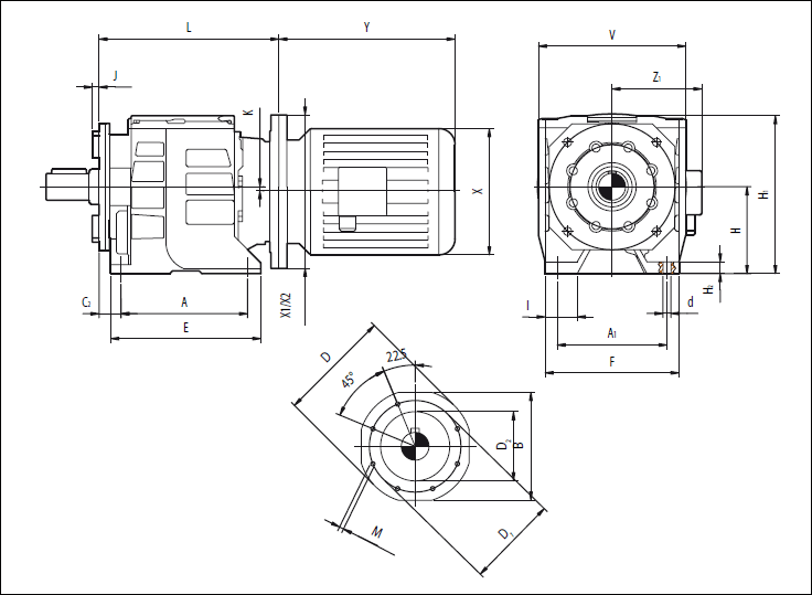
Габаритные и присоединительные размеры

Размеры выходного вала

Размеры выходного вала

Монтажные положения

Выходные обороты и мощность электродвигателей (кВт)

 

  • A - моторный фланец стандарт IEC
  • B - зубчатые пары первой ступени T1, T2, T3
  • C - цилиндрические передачи второй и третей передачи (T4, T5) заключенные в монолитный корпус редуктора
  • D - cъемный опорный фланец

MRD
02/03
02/03
02/03
02
12/13
12/13
12/13
12
12
IEC
56
63
71
80
56
63
71
80
90 S/L
X
110
123
140
159
110
123
140
159
176
X1(B5)
120
140
160
-
120
140
160
200
200
X2(B14)
80
90
105
120
-
90
105
120
140
Y
168
185
220
238
168
185
220
238
255/280
Z1
108
110
121
138
108
110
121
138
149
L
140/143
140
151/161
151
C
13
10
C1
9
K
4.5
5
C2
20
18
A
95
110
E
115
132
V
100
140
I
23
38
A1
80
110
F
96
135
d
Ø9
H
60
75
H1
111
131
H2
6.5
8
D
84
M
M6x14 (7)
B
82
D1
Ø75

Назад

MRD
23
22/23
22/23
22/23
22
22
32/33
32/33
32/33
IEC
63
71
80
90 S/L
100
112
71
80
90S/L
X
123
140
159
176
195
219
140
159
176
X1(B5)
140
160
200
200
250
250
160
200
200
X2(B14)
-
105
120
140
160
160
105
120
140
Y
185
220
238
255/280
314
328
220
238
255/280
Z1
110
121
138
149
160
172
121
138
149
L
208
190/208
190
220/253
C
13
C1
11
K
6
8.5
C2
25
30
A
130
165
E
153
195
V
155
190
I
37
44
A1
110
135
F
140
173
d
Ø9
Ø11.5
H
90
115
H1
158
198
H2
10
14
D
108
130
M
M6x10 (8)
M8x18 (8)
В
102
125
D1
Ø95
Ø115

Назад

MRD
32
32
43
42/43
42/43
42/43
42
42
IEC
100
112
71
80
90 S/L
100
112
132 S/M
X
195
219
140
159
176
195
219
258
X1(B5)
250
250
160
200
200
250
250
300
X2(B14)
160
160
-
120
140
160
160
200
Y
314
328
220
238
255/280
314
328
368/410
Z1
160
172
121
138
149
160
172
192
L
220
305
265/305
265
C
13
15
C1
11
13
K
8.5
9.5
C2
30
30
А
165
195
Е
195
221
V
190
215
I
44
50
А1
135
150
F
173
195
d
Ø11.5
Ø13.5
Н
115
130
H1
198
222
H2
14
15
D
130
Ø145
М
М8х18 (8)
М8х18 (8)
В
125
142
D1
Ø115
Ø130

Назад

MRD
52/53
52/53
52/53
52/53
52/53
52/53
52
52
IEC
80
90 S
90 L
100
112
132 S/M
160
180
X
159
176
176
195
219
258
310
320
X1(B5)
200
200
200
250
250
300
350
350
X2(B14)
-
-
-
-
-
200
-
-
Y
238
255
280
314
328
368/410
486
580
Z1
138
149
149
160
172
192
235
245
L
322
353
C
18
C1
14
C2
35
A
205
E
254
V
284
I
42
A1
170
F
254
d
Ø18
H
140
H1
255
H2
20
D
Ø190
M
M10x25 (8)
В
180
D1
Ø130g6

Назад

MRD
62/63
62/63
62/63
62/63
62/63
62/63
62
62
IEC
80
90S
90 L
100
112
132 S/M
160
180
X
159
176
176
195
219
258
310
320
X1(B5)
200
200
200
250
250
300
350
350
X2(B14)
-
-
-
-
-
200
-
-
Y
238
255
280
314
328
368/410
486
580
Z1
138
149
149
160
172
192
235
245
L
379
410
C
18
C1
14
C2
40
A
260
E
305
V
340
I
42,5
A1
215
F
300
d
Ø18
H
180
H1
302
H2
24
D
Ø190
M
M10x25 (8)
В
180
D1
Ø130g6

Назад

Фланцевое исполнение (B5)

Фланцевое исполнение (B5)

MRD
02/03
02/03
02/03
02
12/13
12/13
12/13
12
12
IEC
56
63
71
80
56
63
71
80
90 S/L
X
110
123
140
159
110
123
140
159
176
Х1(В5)
120
140
160
-
120
140
160
200
200
Х2(В14)
80
90
105
120
-
90
105
120
140
Y
168
185
220
238
168
185
220
238
255/280
Z1
108
110
121
138
103
110
121
138
149
L
140/143
140
151/161
151
J
3
К
4.5
5
C2
20
18
А
95
110
Е
115
132
V
100
140
I
23
38
A1
80
110
F
96
135
d
Ø9
Н
60
75
H1
111
131
Н2
6.5
8
D
84
M
М6х14 (7)
B
82
D1
Ø75

Назад

MRD
23
22/23
22/23
22/23
22
22
32/33
32/33
32/33
IEC
63
71
80
90 S/L
100
112
71
80
90 S/L
X
123
140
159
176
195
219
140
159
176
X1(B5)
140
160
200
200
250
250
160
200
200
X2(B14)
-
105
120
140
160
160
105
120
140
Y
185
220
238
255/280
314
328
220
238
255/280
Z1
110
121
138
149
160
172
121
138
149
L
208
190/208
190
220/253
J
3
3.5
К
6
8.5
C2
25
30
A
130
165
E
153
195
V
155
190
I
37
44
A1
110
135
F
140
173
d
Ø9
Ø11.5
H
90
115
H1
158
198
H2
10
14
D
108
130
M
M6x10 (8)
M8x18 (8)
B
102
125
D1
Ø95
Ø115

Назад

MRD
32
32
43
42/43
42/43
42/43
42
42
IEC
100
112
71
80
90 S/L
100
112
132S/M
X
195
219
140
159
176
195
219
258
X1(B5)
250
250
160
200
200
250
250
300
X2(B 14)
160
160
-
120
140
160
160
200
Y
314
328
220
238
255/280
314
328
368/410
Z1
160
172
121
138
149
160
172
192
L
220
305
265/305
265
J
3.5
4
К
8.5
9.5
C2
30
30
A
165
195
E
195
221
V
190
215
I
44
50
A1
135
150
F
173
195
d
Ø11.5
Ø13.5
H
115
130
H1
198
222
H2
14
15
D
130
Ø145
M
M8x18 (8)
M8x18 (8)
В
125
142
D1
Ø115
Ø130

Назад

MRD
52/53
52/53
52/53
52/53
52/53
52/53
52
52
IEC
80
90 S
90 L
100
112
132 S/M
160
180
X
159
176
176
195
219
258
310
320
X1(B5)
200
200
200
250
250
300
350
350
X2(B14)
-
-
-
-
-
200
-
-
Y
238
255
280
314
328
368/410
486
580
Z1
138
149
149
160
172
192
235
245
L
322
353
J
4
C2
35
A
205
E
254
V
284
I
42
A1
170
F
254
d
Ø18
H
140
H1
255
H2
20
D
Ø190
M
M10x25(8)
В
180
D1
Ø130g6

Назад

MRD
62/63
62/63
62/63
62/63
62/63
62/63
62
62
IEC
80
90S
90 L
100
112
132 S/M
160
180
X
159
176
176
195
219
258
310
320
X1(B5)
200
200
200
250
250
300
350
350
X2(B14)
-
-
-
-
-
200
-
-
Y
238
255
280
314
328
368/410
486
580
Z1
138
149
149
160
172
192
235
245
L
379
410
C
18
C1
14
C2
40
A
260
E
305
V
340
I
42,5
A1
215
F
300
d
Ø18
H
180
H1
302
H2
24
D
Ø190
M
M10x25 (8)
В
180
D1
Ø130g6

Размеры выходного вала

Размеры выходного вала

Размеры
Габарит
 
S
S1
S2
d
d1
N1
t
RD 02 / RD 03
AU17
35
25
5
Ø17h6
M6x16
5
19
AU20
40
30
5
Ø20h6
M6x16
6
22,5
RD 12 / RD 13
AU20
40
30
5
Ø20h6
M6x16
6
22,5
AU25
50
40
5
Ø25h6
M6x16
8
28
RD 22 / RD 23
AU25
50
40
5
Ø25h6
M6x16
8
28
AU30
60
40
10
Ø30h6
M10x22
8
33
RD 32 / RD 33
AU30
60
40
10
Ø30h6
M10x22
8
33
AU35
70
50
10
Ø35h6
M10x22
10
38
RD 42 / RD 43
AU35
70
50
10
Ø35h6
M10x22
10
38
AU40
80
60
10
Ø40h6
M12x28
12
43
RD 52 / RD 53
AU40
80
60
10
Ø40h6
M12x28
12
43
AU45
100
90
5
Ø50h6
M16x36
14
53,5
RD 62 / RD 63
AU45
100
90
5
Ø50h6
M16x36
14
53,5
AU50
120
110
5
Ø60h6
M20x42
18
64

Размеры выходного фланца (В5)

Размеры выходного фланца (В5)

Размеры
Габарит
 
D
D1
D2
D3
R
RD 02 / RD 03
DFU120
Ø120
Ø100
Ø90h7
Ø9 (4)
100
DFU140
Ø140
Ø115
Ø95h7
Ø9 (4)
115
DFU160
Ø160
Ø130
Ø110h7
Ø9 (4)
130
RD 12 / RD 13
DFU120
Ø120
Ø100
Ø90h7
Ø9 (4)
100
DFU140
Ø140
Ø115
095h7
Ø9 (4)
115
DFU160
Ø160
Ø130
Ø110h7
Ø9 (4)
130
RD 22 / RD 23
DFU140
Ø140
Ø115
Ø95h7
Ø9 (4)
115
DFU160
Ø160
Ø130
Ø110h7
Ø9 (4)
130
DFU200
Ø200
Ø165
Ø130h7
Ø11 (4)
165
RD 32 / RD 33
DFU160
Ø160
Ø130
Ø110h7
Ø9 (4)
135
DFU200
Ø200
Ø165
Ø130h7
Ø11 (4)
165
DFU250
Ø250
Ø215
Ø180h7
Ø13(4)
215
RD 42 / RD 43
DFU200
Ø200
Ø165
Ø130h7
Ø11 (4)
165
DFU250
Ø250
Ø215
Ø180h7
Ø13,5 (4)
215
DFU300
Ø300
Ø265
Ø230h7
Ø17 (4)
265
RD 52 / RD 53
DFU250
Ø250
Ø215
Ø180h7
Ø13,5 (4)
215
DFU300
Ø300
Ø265
Ø230h7
Ø17 (4)
265
DFU350
Ø350
Ø300
Ø250h7
Ø17,5 (4)
300
RD 62 / RD 63
DFU250
Ø250
Ø215
Ø180h7
Ø13,5 (4)
215
DFU300
Ø300
Ø265
Ø230h7
Ø17 (4)
265
DFU350
Ø350
Ø300
Ø250h7
Ø17,5 (4)
300

Назад

Монтажные положения

Монтажные положения

 

Положение клемной коробки эл.двигателя

Положение клемной коробки эл.двигателя

Выходные обороты и мощность электродвигателей (кВт)

Назад

 

 
© 2014 Редукторы, мотор-редукторы, устройства плавного пуска, преобразователи частоты