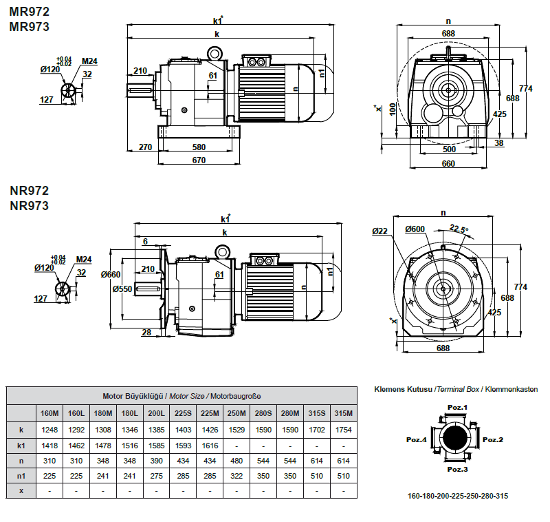
Габаритные и присоединительные размеры MR972, MR973 (MRF972, MRF973)
Назад
Назад
© 2014 Редукторы, мотор-редукторы, устройства плавного пуска, преобразователи частоты