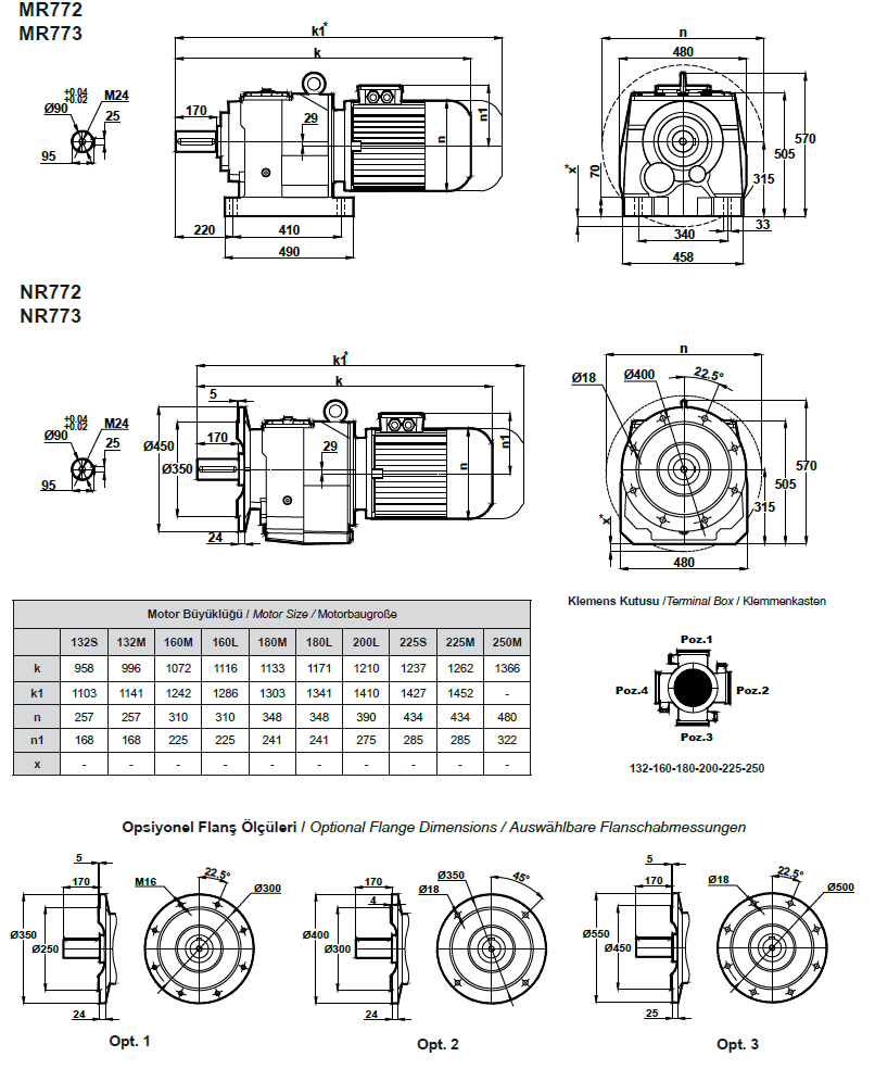
Габаритные и присоединительные размеры MR772, MR773 (MRF772, MRF773)

 

Назад

Габаритные и присоединительные размеры MR772, MR773 (MRF772, MRF773)

Назад

 
© 2014 Редукторы, мотор-редукторы, устройства плавного пуска, преобразователи частоты