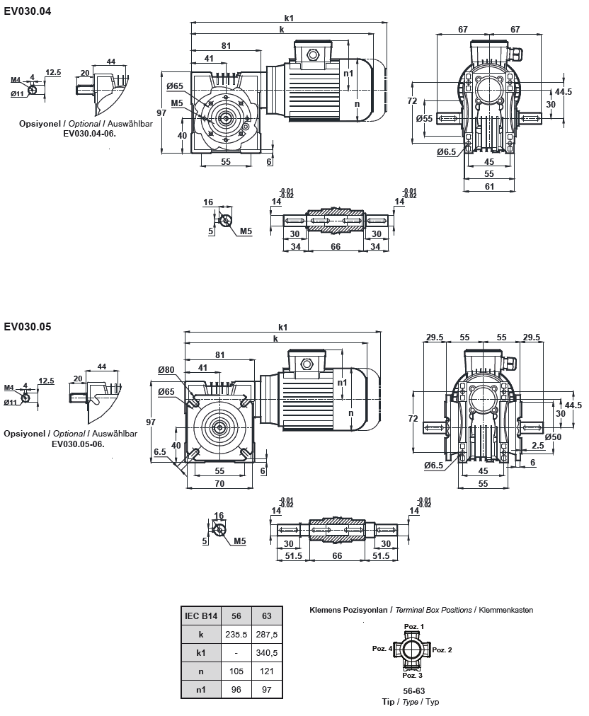
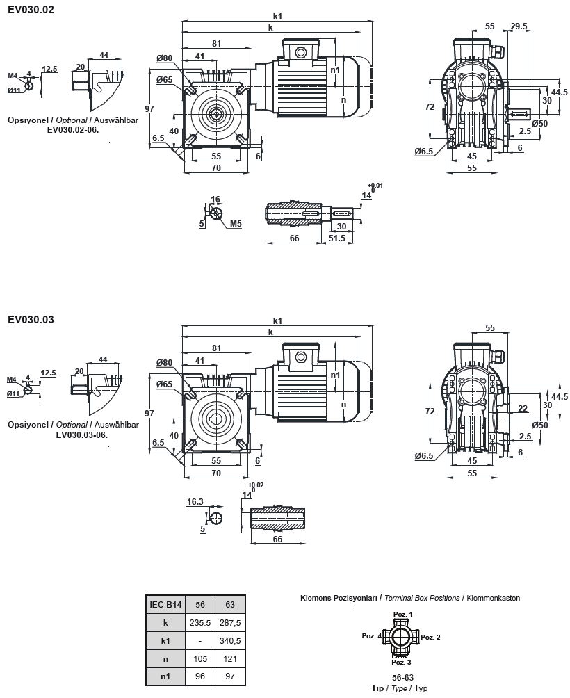
Червячный мотор-редуктор EV030 (EN030)

 

Назад

Назад

 
© 2014 Редукторы, мотор-редукторы, устройства плавного пуска, преобразователи частоты